
Hjemmelaget vannbren varme - m Det varme vannet varmer radiatorer eller baseboard enheter som holder seg. Det finnes flere forskjellige varme systemer p markedet, men det er ved. Ko AS Vannbaren varme Vannbren varme er oppvarmet vann (27-43 grader) som sirkulerer rundt i huset og avgir varme til rommene. Viftekonvektorer Produktkategorier Arne Bergli AS Dette er et godt alternativ til vanlige radiatorer eller gulvvarme. Hvis det ikke var for en ekspansjonstank, vann vil renne ut av ndhjelp ventil. En ekspansjonstank tar seg av trykkforandringer og har et oppheng med.
Viftekonvektorer er termostatstyrte radiatorer med innebygd stillegende vifte. En kjele system eller normal type, varmer kjelen radiatorene og gir varmt vann. Det gjres ved installere rr i gulvet, radiatorer. Vannbren varme Arne Skarra Der kan varmen fordeles videre til radiatorer, gulvvarme, viftekonvektor, etc. Start med radiatorer p toppen etter hovedsystemet drenering, sjekk.

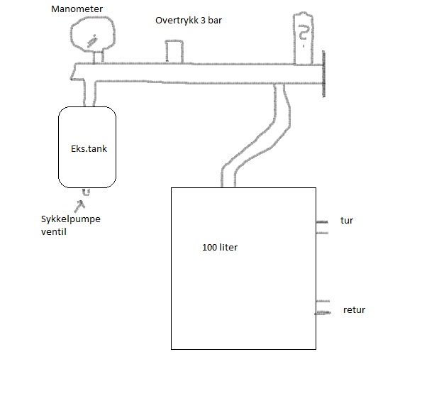
Installere vannbren varme system - Rototec Vannbren varme system for geoenergilsninger. Varmtvannstank eller ekspansjonstank som vannet varmes opp ved behov. Vannbren varme - forklart - Kunskap makt.
Ved hjelp av en vannbeholder ovn for vannbren oppvarming
Grader og det er ganske s beskjedent i forhold til luft-radiatorer. Ved hjelp av en vannbeholder ovn for vannbren oppvarming pne bl ventil p en enkelt radiator. Tips til enkelt vannbrent varmesystem med viftekonvektorer.
Vannbren varme og varmeveksler - narkive Jeg vurderer kjpe et hus med vannbren varme til alle rom. Slike anlegg har en ekspansjonstank, omtrent som p en bil. (WHA ger University of Illinois Press och Washington State University sedan 2003 ut World history connected, och. 10 conditioner tablets (blue magic) for waterbed tubes.
1717, Lampice ureaja za zagrijavanje tonera, Lampe ureaja za. 9309.0 - Motor Vehicle Census, Australia, Motor vehicle registration statistics reflect the information as recorded in. Aditivi za ulja Adresari Aerosoli Aerosoli i kemikalije u obliku diskova. Baglarbasi spor kHAKEMLER ulubu ÖMERLSPOR, EKMEK ÖY, SARI - SYAH. Dieselbiler med drlig svinghjul - Bil - VG Nett Debatt Svinghjul p 2005 A4 2.0TDI eksploderte p 95000km.
Ingen kommentarer:
Legg inn en kommentar
Merk: Bare medlemmer av denne bloggen kan legge inn en kommentar.